|
Поставщик
|
Contrastech |
|
Типы изделий
|
объективы |
|
Диафрагма
|
F4,2 |
|
Крепление
|
C-Mount |
|
Диапазон длин волн, нм
|
400-600 |
|
Рабочее расстояние
|
1,5-5 мм |
|
Особенности объектива
|
"рыбий глаз" |
|
Типы объектива
|
широкоугольные |
Ключевые преимущества:
- Прецизионный контроль микрообъектов от 1,10 мм;
- Единое оптическое увеличение на всех контролируемых сторонах;
- Совместимость с промышленными камерами стандарта C-Mount;
- 3D-визуализация за один проход — повышение эффективности контроля на 70%.
Технические характеристики:
- Сенсор: 1/2";
- Разрешение: >200 lp/мм;
- Рабочее расстояние: 1,5-5 мм;
- Световой спектр: 400-600 нм;
- Диафрагма: F4,2;
- Питание подсветки: 24 В / 18 Вт;
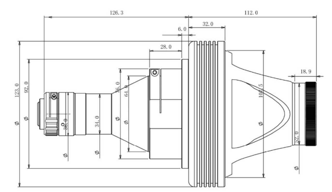
- Габариты: ⌀123 × 238,3 мм;
- Крепление: C-Mount.
Области применения:
- Микроэлектроника;
- Медицинские импланты;
- Прецизионная механика;
- Часовое производство.
Габаритные размеры:

Оплата продукции производится по безналичному расчету на основании счета либо договора поставки. Компания АЗИМУТ ФОТОНИКС принимает участие в конкурсных торгах (электронных аукционах) на выполнение заказов от бюджетных организаций. Для бюджетных организаций предусмотрена работа с частичной предоплатой в рамках договоров по ФЗ.
Доставка оборудования и компонентов во все регионы России осуществляется транспортными компаниями (Major Express, Гарантпост, СДЭК) с обязательным соблюдением требований к транспортировке и хранению, также возможен самовывоз из нашего офиса в Москве. Условия отправки груза в страны СНГ и ЕАЭС необходимо уточнять отдельно у специалистов нашей компании.
Все поставляемое нами оборудование обеспечивается официальной гарантией производителей с отправкой на ремонт и замену. Как правило, срок гарантии – 1 год.
Похожие товары
