|
Поставщик
|
Contrastech |
|
Типы изделий
|
объективы |
|
Диафрагма
|
F4.6 |
|
Крепление
|
C-Mount |
|
Диапазон длин волн, нм
|
400–680 |
|
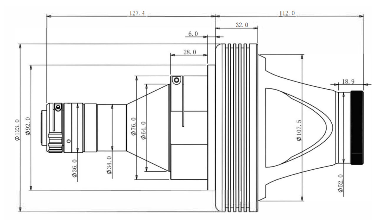
Габаритные размеры
|
⌀123 х 239.4 мм |
|
Рабочее расстояние
|
19-23 мм |
|
Особенности объектива
|
"рыбий глаз" |
|
Типы объектива
|
широкоугольные |
Идеальное решение для точного контроля миниатюрных компонентов от 1 до 10 мм. Получайте четкое изображение всех поверхностей одновременно без необходимости перестановки детали.
Ключевые преимущества:
- Полный контроль микрообъектов за один цикл измерения;
- Равномерная детализация всех сторон объекта;
- Экономия до 60% времени на контроль качества;
- Совместимость с промышленными камерами C-Mount.
Технические характеристики:
- Сенсор: 1/1.8";
- Разрешение: >190 lp/мм;
- Рабочее расстояние: 19-23 мм;
- Диапазон длин волн: 400-680 нм;
- Диафрагма: F4.6;
- Габариты: ⌀123 × 239.4 мм.
Освещение:
- Напряжение: 24V;
- Мощность: 18W.
Области применения:
- Микроэлектроника и компоненты;
- Медицинские инструменты и импланты;
- Прецизионная механика;
- Автоматизация контроля качества.
Габаритные размеры:

Оплата продукции производится по безналичному расчету на основании счета либо договора поставки. Компания АЗИМУТ ФОТОНИКС принимает участие в конкурсных торгах (электронных аукционах) на выполнение заказов от бюджетных организаций. Для бюджетных организаций предусмотрена работа с частичной предоплатой в рамках договоров по ФЗ.
Доставка оборудования и компонентов во все регионы России осуществляется транспортными компаниями (Major Express, Гарантпост, СДЭК) с обязательным соблюдением требований к транспортировке и хранению, также возможен самовывоз из нашего офиса в Москве. Условия отправки груза в страны СНГ и ЕАЭС необходимо уточнять отдельно у специалистов нашей компании.
