|
Поставщик
|
Contrastech |
|
Типы изделий
|
объективы |
|
Разрешение
|
8К |
|
Крепление
|
F-Mount, V-Mount, M42, M58 |
|
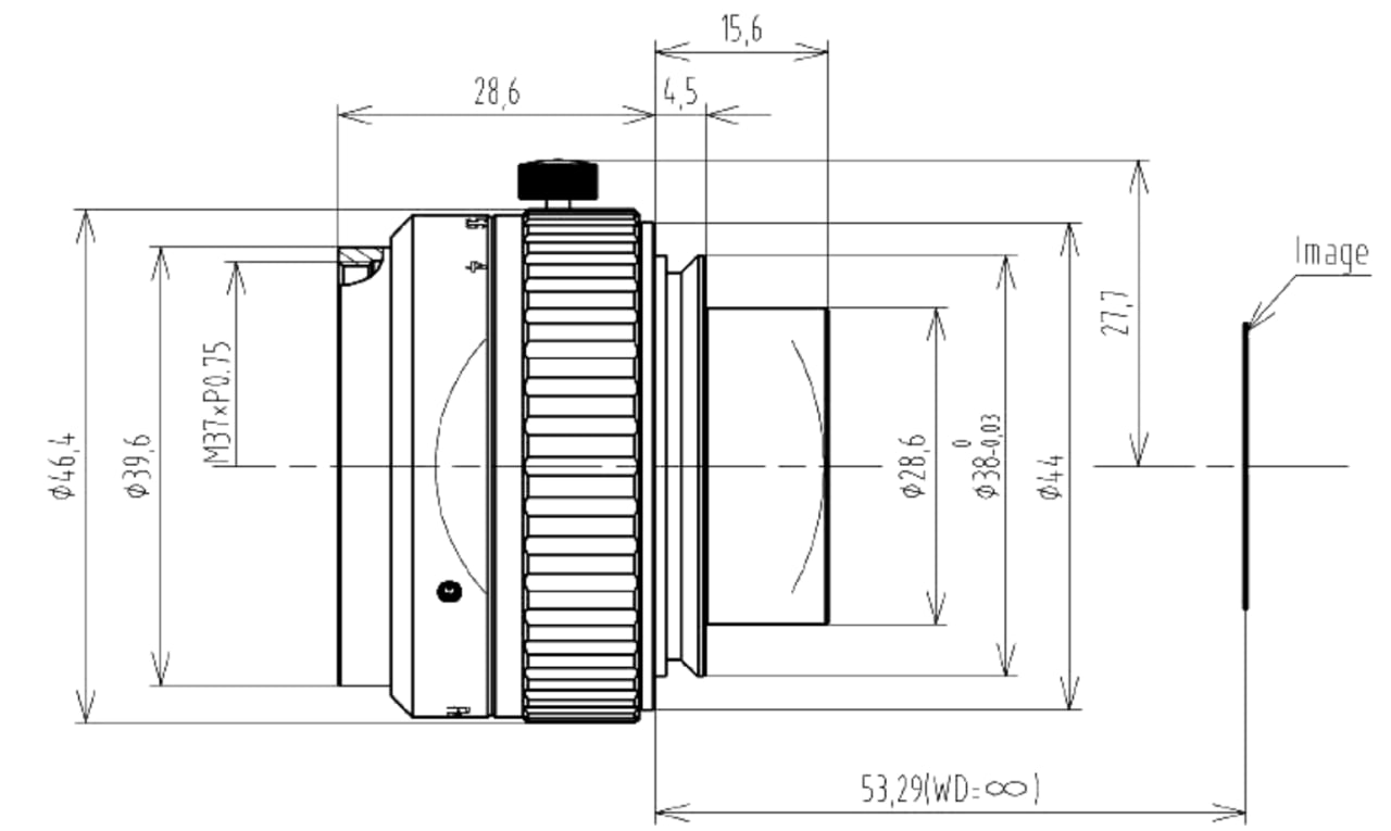
Габаритные размеры
|
Ø46,4 × 28,6 мм |
|
Фокусное расстояние объектива
|
60 мм |
|
Рабочее расстояние
|
404,4 мм |
|
Типы объектива
|
для линейных камер |
|
Применение объектива
|
машинное зрение |
|
Числовая апертура
|
f/4 |
|
Увеличение, х
|
5984 |
VTL-6040-0.16X — промышленный объектив серии Line Scan, разработанный для применения в системах машинного зрения с компактными линейными камерами и сенсорами увеличенного формата. Модель ориентирована на задачи инспекции и измерений, где требуется высокая детализация при контроле крупных объектов и широких зон сканирования.
Объектив поддерживает сенсоры формата до 64 мм и обеспечивает разрешение до 8K / 7 мкм на пиксель, что позволяет использовать его в высокоточных системах контроля. Оптическое увеличение 0,167х обеспечивает оптимальный баланс между полем зрения и детализацией, а дисторсия не превышает 0,2 %, что важно для корректного анализа геометрии объектов.
Оптическое покрытие рассчитано на работу в диапазоне 400–950 нм, что делает объектив совместимым с источниками видимого и ближнего инфракрасного излучения. Ручная фокусировка и диафрагма позволяют точно настроить систему под конкретные условия эксплуатации.
Преимущества:
- Специализированная конструкция для line-scan камер;
- Поддержка крупноформатных сенсоров до 64 мм;
- Высокая разрешающая способность (до 8K);
- Оптическое увеличение 0,16х для инспекции объектов большого размера;
- Низкий уровень геометрических искажений;
- Широкий спектральный диапазон (VIS + NIR);
- Ручная настройка фокуса и диафрагмы;
- Возможность смены крепления (V-Mount / M42 / M58 / F-Mount).
Области применения:
- Системы машинного зрения промышленного класса;
- Конвейерный контроль качества и сортировка;
- Измерительные и метрологические системы;
- Инспекция поверхностей и геометрии изделий;
- Контроль листовых, рулонных и крупногабаритных материалов;
- Сканирование широких и протяжённых объектов;
- OEM-интеграция в промышленные камеры и комплексы.
Технические характеристики:
- Фокусное расстояние: 60 мм;
- Диафрагма: F4.0;
- Разрешение: до 8K / 7 мкм;
- Поддерживаемый формат сенсора: до 64 мм;
- Оптическое увеличение: 0,167х;
- Рабочая дистанция: 404,4 мм;
- Конъюгированное расстояние: 619,1 мм;
- TTL (полная оптическая длина): 63,4 мм;
- Дисторсия (TV): ≤ 0,2 %;
- Спектральный диапазон: 400–950 нм;
- Фокусировка: ручная;
- Диафрагма: ручная;
- Крепление: V-Mount;
- Возможность смены крепления: M42 / M58 / F-Mount;
- Габариты: Ø46,4 × 28,6 мм;
- Встроенный IR-фильтр: нет;
- Фильтр: не предусмотрен;
- Рабочая температура: −10…+50 °C;
- Температура хранения: −20…+60 °C.
Габаритные размеры:

Оплата продукции производится по безналичному расчету на основании счета либо договора поставки. Компания АЗИМУТ ФОТОНИКС принимает участие в конкурсных торгах (электронных аукционах) на выполнение заказов от бюджетных организаций. Для бюджетных организаций предусмотрена работа с частичной предоплатой в рамках договоров по ФЗ.
Доставка оборудования и компонентов во все регионы России осуществляется транспортными компаниями (Major Express, Гарантпост, СДЭК) с обязательным соблюдением требований к транспортировке и хранению, также возможен самовывоз из нашего офиса в Москве. Условия отправки груза в страны СНГ и ЕАЭС необходимо уточнять отдельно у специалистов нашей компании.
