|
Поставщик
|
Contrastech |
|
Типы изделий
|
объективы |
|
Разрешение
|
29 Мп |
|
Крепление
|
T-Mount, F-Mount |
|
Габаритные размеры
|
Ø57 × 91 мм |
|
Фокусное расстояние объектива
|
80 мм |
|
Типы объектива
|
крупноформатный |
|
Применение объектива
|
машинное зрение |
|
Числовая апертура
|
f/5.6 |
|
Увеличение, х
|
5990 |
Объектив VT-LEMF8056MP29-0.3X из серии Large Format — это специализированный инструмент для задач, требующих значительного увеличения (до 0.4x) и исключительной геометрической точности. С фокусным расстоянием 80 мм и минимальным уровнем искажений (<0.03%) он идеально подходит для макросъёмки, детального контроля мелких объектов и прецизионных измерительных систем, где недопустимы даже малейшие отклонения в передаче формы.
Преимущества:
- Исключительно низкие искажения: Уровень искажений менее 0.03% обеспечивает практически идеальную геометрическую передачу, что критично для измерительных и калибровочных задач;
- Отличная детализация: Поддерживает работу с высокопиксельными камерами (до 29 Мп), обеспечивая высокую информативность изображения;
- Длиннофокусная конструкция: Фокусное расстояние 80 мм обеспечивает удобное рабочее расстояние для организации освещения и доступа к объекту;
- Спектральная универсальность: Покрытие, эффективное в диапазоне 400–950 нм, позволяет использовать объектив как в видимом свете, так и в ближнем ИК-диапазоне для расширенных возможностей инспекции.
Технические характеристики:
- Разрешение: 29 Мп;
- Рабочий формат (размер изображения): 58 мм;
- Фокусное расстояние: 80.0 мм;
- Диафрагма: F5.6;
- Диапазон увеличений: 0.2x – 0.4x;
- Стандартное увеличение: 0.3x;
- Фланцевое расстояние: 46.5 мм;
- Расстояние до объекта (при стандартном увеличении): 306.2 мм;
- Оптические искажения: < 0.03%;
- Габарит по оптической оси: 137.5 мм;
- Диапазон просветляющего покрытия: 400–950 нм;
- Тип крепления: F-mount (совместим с T-mount);
- Размер резьбы под светофильтр: M52 × 0.75;
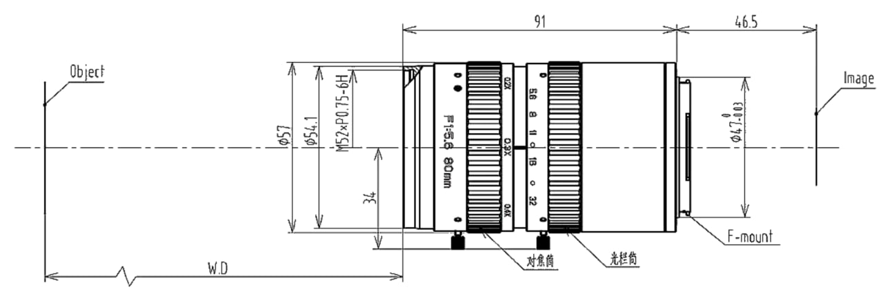
- Габаритные размеры (Ø × Длина): ⌀ 57 × 91 мм;
- Диапазон рабочих температур: от -10°C до +50°C;
- Диапазон температур хранения: от -20°C до +60°C.
Области применения:
- Прецизионная макросъёмка и контроль микроэлектронных компонентов;
- Высокоточные измерительные системы и оптическая метрология;
- Контроль качества в часовой, ювелирной и медицинской промышленности;
- Научные исследования в области материаловедения и микроанализа;
- Визуальный контроль печатных плат (PCB) и миниатюрных механических деталей.
Габаритные размеры:

Оплата продукции производится по безналичному расчету на основании счета либо договора поставки. Компания АЗИМУТ ФОТОНИКС принимает участие в конкурсных торгах (электронных аукционах) на выполнение заказов от бюджетных организаций. Для бюджетных организаций предусмотрена работа с частичной предоплатой в рамках договоров по ФЗ.
Доставка оборудования и компонентов во все регионы России осуществляется транспортными компаниями (Major Express, Гарантпост, СДЭК) с обязательным соблюдением требований к транспортировке и хранению, также возможен самовывоз из нашего офиса в Москве. Условия отправки груза в страны СНГ и ЕАЭС необходимо уточнять отдельно у специалистов нашей компании.
