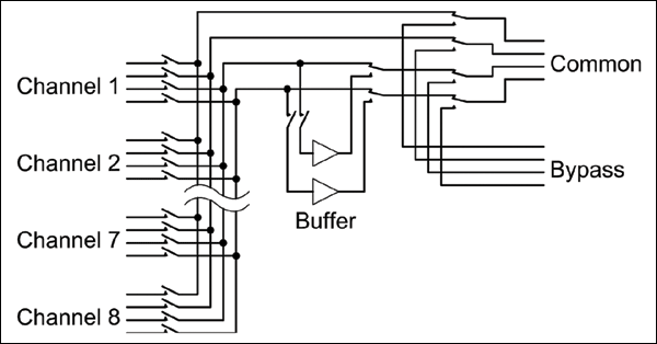
SIM925 компании Stanford Research Systems - это четырехпроводной мультиплексор с восемью входами для приложений со слабыми сигналами. Четырехпроводные измерения поддерживаются с помощью дополнительной буферизации двух измерительных выводов. Буфер может быть переключен для формирования простого 4-полюсного переключателя на 8 направлений на основе реле. Несколько модулей могут быть объединены в каскад, что дает неограниченные сетевые возможности.
Схема цифрового управления SIM925 разработана на базе специальной технологии которая включает микроконтроллер только при изменении настроек. Это гарантирует, что цифровой шум не загрязняет слабые аналоговые сигналы уровня.
Настройки могут быть изменены на передней панели или через удаленный интерфейс. Настройки мультиплексора также могут быть запрошены.
SIM925 может работать вне мэйнфрейма SIM, при питании требуемым напряжением постоянного тока. SIM925 может использоваться непосредственно с модулем резистивного моста SIM921, модулями SIM922A или SIM923A для считывания нескольких датчиков температуры. Он также может использоваться для маршрутизации нескольких источников сигнала на синхронный усилитель.
Особенности:
- 8 входных каналов;
- Управление 4-х полюсными реле;
- Буфер для линий контроля за напряжением;
- Возможность байпассного подключения на задней панели для неограниченного каскадирования модулей.
  
	
Блок-схема модуля SIM925
Технические характеристики модулей SIM925 компании Stanford Research Systems:
| Параметр | Значение | 
| Входные каналы | 8 (плюс 1 байпасный канал) | 
| Проводов на канал | 4 | 
| Последовательно включенное сопротивление | 2.0 Ом (макс.) | 
| Сопротивление изоляции | >10 ГОм (тип.) | 
| Входная емкость | <60 пФ / <25 пФ | 
| Макс. коммутационная емкость | 10 мА @ 10 В (DC) | 
| ТермоЭДС | <10 мкВ (тип.) | 
| Скорость переключения | 50 мс макс. | 
| Активный буффер | |
| Ширина полосы пропускания | 1 МГц (тип.) | 
| Входной шум | 30 нВ/√Гц @ 10 Гц, 16 нВ/√Гц @ 1 кГц | 
| Ток смещения | 5 пА (тип.) | 
| Перегрузка входа | ±1.0 В | 
| Рабочая температура | 0 °C - 40 °C, без конденсации | 
| Интерфейс | Последовательный | 
| Разъемы | Последовательный | 
| Входные каналы | DB37 (гнездовой, передняя панель) | 
| Стандартный | DB9 (штекерный, задняя панель) | 
| Байпас | DB9 (гнездовой, задняя панель) | 
| SIM | DB15 (штекерный) SIM интерфейс | 
| Мощность | Питание подается от стойки SIM900, или от пользовательского источника питания постоянного тока (±15 В and +5 В) | 
| Габаритные размеры | 1.5" × 3.6" × 7.0" (ШхВхД) | 
| Вес | 0.5 кг | 
| Гарантия | Один год | 
Оплата продукции производится по безналичному расчету на основании счета либо договора поставки. Компания АЗИМУТ ФОТОНИКС принимает участие в конкурсных торгах (электронных аукционах) на выполнение заказов от бюджетных организаций. Для бюджетных организаций предусмотрена работа с частичной предоплатой в рамках договоров по ФЗ.
Доставка оборудования и компонентов во все регионы России осуществляется транспортными компаниями (Major Express, Гарантпост, СДЭК) с обязательным соблюдением требований к транспортировке и хранению, также возможен самовывоз из нашего офиса в Москве. Условия отправки груза в страны СНГ и ЕАЭС необходимо уточнять отдельно у специалистов нашей компании.

 
									 
										 
																		 
																		 
																		 
																		 
																		 
																		 
																		 
																		 
																		