| 
											Поставщик
																					 | Hamamatsu | 
| 
											Материал окна
																					 | Кварц | 
| 
											Размер пикселя
																					 | 50 x 500 мкм | 
| 
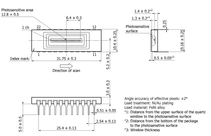
											Размер изображения
																					 | 12,8 x 0,5 мм | 
| 
											Количество эффективных пикселей
																					 | 256 x 1 пикселей | 
| 
											Спектральный диапазон
																					 | от 200 до 1000 нм | 
| 
											Материал корпуса
																					 | Керамика | 
| 
											Количество строк
																					 | 1938 строк / с | 
S10122-256Q-01 представляет собой самосканирующиеся фотодиодные матрицы, разработанные специально в качестве детекторов для спектроскопии. Схема сканирования работает с низким энергопотреблением и проста в обращении. Этот фотодиод имеет большую фоточувствительную область с высокой чувствительностью и плавно меняющимися спектральными характеристиками в УФ-области.
Особенности:
- Высокая чувствительность к ультрафиолетовому излучению;
- Более высокая чувствительность к ультрафиолетовому излучению, чем у предыдущего типа;
- Плавно изменяющиеся спектральные характеристики отклика в ультрафиолетовой области;
- Переменное время интеграции для каждого пикселя;
- Широкая светочувствительная область:
- Шаг пикселя: 50 мкм;
- Высота пикселя: 0,5 мм.
- Большой расход на выходе при насыщении.
Спектральный отклик
 
Габаритные размеры (мм)
 
Оплата продукции производится по безналичному расчету на основании счета либо договора поставки. Компания АЗИМУТ ФОТОНИКС принимает участие в конкурсных торгах (электронных аукционах) на выполнение заказов от бюджетных организаций. Для бюджетных организаций предусмотрена работа с частичной предоплатой в рамках договоров по ФЗ.
Доставка оборудования и компонентов во все регионы России осуществляется транспортными компаниями (Major Express, Гарантпост, СДЭК) с обязательным соблюдением требований к транспортировке и хранению, также возможен самовывоз из нашего офиса в Москве. Условия отправки груза в страны СНГ и ЕАЭС необходимо уточнять отдельно у специалистов нашей компании.

 
									