Радиатор с принудительной подачей воздуха обеспечивает отличный отвод тепла от лазеров MatchBox. Встроенный вентилятор отличается высокой эффективностью и низким уровнем вибрации. Скорость вентилятора регулируется непосредственно с лазера (для всех диодных лазеров SLM в стандартной комплектации). Разъем TTL может быть настроен для вывода ШИМ для вентилятора в зависимости от температуры корпуса лазера (измеренной с помощью внутренней термопары).
Функции:
- Удобное крепление для лазеров MatchBox в горизонтальной ориентации;
- Тепловое сопротивление <0.5 C°/Вт;
- Боковые выступы могут быть зажаты (зажимы не входят в комплект и не предлагаются Integrated Optics) или закреплены винтами;
- Поверхность поглощает лазерные отражения;
- Вентилятор с регулируемой скоростью вращения обеспечивает минимальную вибрацию при низкой тепловой нагрузке;
- Высота луча над основанием 30.4 мм.
Примечание:
Этот аксессуар включает в себя только радиатор с разъемом для подключения к коммутационному блоку.
Технические характеристики:
|
Параметр |
Значение |
|
Тепловое сопротивление |
<0.5 C°/Вт |
|
Габаритные размеры (ШxГxВ) |
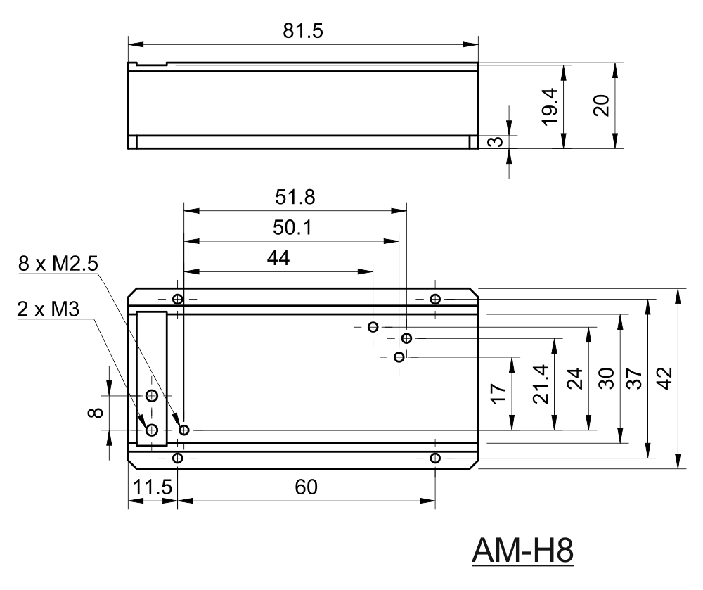
42 x 83 x 20 мм |
|
Высота луча |
30.4 мм |
|
Материал |
Алюминий |
|
Входное напряжение |
5 В |
|
Входной ток |
0.1 А |
|
Разъем входа питания |
Под пины |
|
Разъем передачи данных |
- |
|
Установочные отверстия |
M2.5 |
|
Вес |
82 г |
|
Гарантия |
14 месяцев |

Принципиальная схема

Охлаждающее устройство с лазером MatchBox
Оплата продукции производится по безналичному расчету на основании счета либо договора поставки. Компания АЗИМУТ ФОТОНИКС принимает участие в конкурсных торгах (электронных аукционах) на выполнение заказов от бюджетных организаций. Для бюджетных организаций предусмотрена работа с частичной предоплатой в рамках договоров по ФЗ.
Доставка оборудования и компонентов во все регионы России осуществляется транспортными компаниями (Major Express, Гарантпост, СДЭК) с обязательным соблюдением требований к транспортировке и хранению, также возможен самовывоз из нашего офиса в Москве. Условия отправки груза в страны СНГ и ЕАЭС необходимо уточнять отдельно у специалистов нашей компании.
